Home
Nach oben
Desmodromik
Daten
Abmessungen
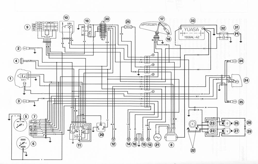
Schaltpläne
Vergaser
Ölkreislauf
Schnittmodelle
Zeichnungen

Und hier geht's zu

 
Elektrische Schaltpläne

 
Ducati SL Pantah  
Cagiva Alazzurra  
Ducati 750 Sport
Ducati 750 SS  

Home | Desmodromik | Daten | Abmessungen | Schaltpläne | Vergaser | Ölkreislauf | Schnittmodelle | Zeichnungen
© Copyright 2007 by Rudolf Wasner, Germany. All rights reserved.